ชุดอะแดปเตอร์ที่มีการเชื่อมต่อทางกลไกรับรู้บนที่นั่งรูปกรวย 60 ° อุปกรณ์ทำจากเหล็ก (11SMPb37) ส่วนหนึ่งมาจากแท่งรีดและจากการขึ้นรูป
รายการเหล่านี้ช่วยให้มั่นใจว่าไม่มีการรั่วไหลความต้านทานที่ดีต่อการขันแน่นสูงและความสะดวกในการประกอบมีความเป็นไปได้ที่จะประกอบและถอดประกอบซ้ำ เหมาะสำหรับแรงกดดันสูง
อะแดปเตอร์ชาย / หญิง BSP
เรานำเสนออะแดปเตอร์ไฮดรอลิกแบบ BSP, JIC, Metric และ ORFS ที่ครอบคลุมสำหรับการเชื่อมต่อกับการเชื่อมต่อพอร์ตของเหลวท่อเหล็กหรือโดยตรงไปยังชุดประกอบท่อไฮโดรลิค
อะแดปเตอร์ BSP ผลิตขึ้นตามมาตรฐาน DIN 3852 FORM A
อะแดปเตอร์ JIC ผลิตขึ้นตามมาตรฐาน SAE J514
อุปกรณ์แปลงเพศหญิง BSP
ชุดอุปกรณ์ 7B เป็นด้ายเกลียวตัวเมีย BSP ขนาดที่สมบูรณ์จาก 02 ถึง 32 ผลิตใน YH ไฮดรอลิกเพื่อตอบสนองความต้องการท่อไฮโดรลิคส่วนใหญ่ YH สามารถผลิตด้ายชนิดอื่น ๆ เช่นตัวชี้วัด JIC, NPT, ORFS, JIS ตัวชี้วัด BSPT ฯลฯ กรุณาส่งอีเมลถึงเราหากคุณต้องการผลิตภัณฑ์ไฮโดรลิคใด ๆ คุณสามารถหาขนาดและประเภทที่สมบูรณ์ในโรงงานของเรา
√หมายเลขชิ้นส่วน: 7B (เพศหญิง BSP)
√ขนาด: ตั้งแต่ 02 ถึง 32 มีให้ผลิตใน YH ไฮดรอลิก
√การเคลือบ: ชุบสังกะสีสีเหลือง ชุบสังกะสีสีขาว ชุบโครเมียม (เงิน)
√มาตรฐาน: มาตรฐานการผลิตของ Eaton; คนอื่นก็โอเค แต่จำเป็นต้องแสดงส่วนที่ไม่มี
√ Custom-orientated: เราสามารถให้บริการ OEM พร้อมตัวอย่างหรือภาพวาดให้
การปรับแต่งอุปกรณ์แปลงเพศหญิง BSP

ตารางข้อมูลทางเทคนิค
| ด้าย | ขนาด | |||
| หมายเลขชิ้นส่วน | E | F | L | S1 |
| 7B-02 | G1 / 8" X28 | G1 / 8" X28 | 22 | 14 |
| 7B-04 | G1 / 4" x19 | G1 / 4" x19 | 24 | 19 |
| 7B-06 | G3 / 8" x19 | G3 / 8" x19 | 26 | 22 |
| 7B-08 | G1 / 2" X14 | G1 / 2" X14 | 32 | 27 |
| 7B-10 | G5 / 8" X14 | G5 / 8" X14 | 36 | 30 |
| 7B-12 | G3 / 4" X14 | G3 / 4" X14 | 36 | 32 |
| 7B-16 | G1" X11 | G1" X11 | 40 | 41 |
| 7B-20 | G1.1 / 4" X11 | G1.1 / 4" X11 | 44 | 50 |
| 7B-24 | G1.1 / 2" X11 | G1.1 / 2" X11 | 45 | 55 |
| 7B-32 | G2" X11 | G2" X11 | 54 | 70 |
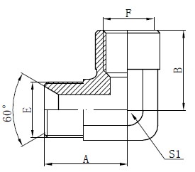
Elbow BSP Adaptor ติ้ง
ซีรี่ส์ 5B9 คือ 90 องศา BSP ตัวผู้ที่นั่ง 60 องศาพร้อมเกลียวตัวเมีย BSP การผลิตขนาดสมบูรณ์นั้นเกี่ยวข้องกับโรงงานของเราตั้งแต่ 1/8 '' ถึง 1.1 / 4 '' ข้อมูลทางเทคนิคแสดงบนโต๊ะ เรายินดีต้อนรับการผลิตที่แตกต่างขนาดตามความต้องการของลูกค้า เพื่อตรวจสอบคุณภาพของเราเราสามารถส่งตัวอย่างน้อยกว่า 5 ชิ้นสำหรับการทดสอบ
√หมายเลขชิ้นส่วน: 5B9 (90 องศา BSP ตัวผู้ที่นั่ง 60 องศาพร้อมตัวเมีย BSP)
√ผลิตภัณฑ์ที่เกี่ยวข้อง: 5B (ชนิดตรง); 5B4 (ข้อศอก 45 องศา)
√วัสดุ: 45 เหล็กกล้าคาร์บอน 20 เหล็กกล้าคาร์บอน (เหล็กอ่อน); เหล็กกล้าไร้สนิม ทองเหลือง; คนอื่น ๆ
√มาตรฐาน: อิงจากการผลิต Winner (Eaton)
√จัดส่ง: ภายใน 10 วันหรือตามใบแจ้งหนี้ที่ทำ
√พอร์ต: หนิงป่อ (ใกล้ที่สุด); เซี่ยงไฮ้ กว่างโจว; คนอื่น ๆ
Elbow BSP Adaptor ฟิตติ้งการวาด

ตารางข้อมูลทางเทคนิค
| ด้าย | ขนาด | ||||
| หมายเลขชิ้นส่วน | E | F | A | B | S1 |
| 5B9-02 | G1 / 8" X28 | G1 / 8" X28 | 30 | 28 | 17 |
| 5B9-04 | G1 / 4" x19 | G1 / 4" x19 | 33 | 33 | 19 |
| 5B9-06 | G3 / 8" x19 | G3 / 8" x19 | 37 | 37 | 22 |
| 5B9-08 | G1 / 2" X14 | G1 / 2" X14 | 43 | 43 | 27 |
| 5B9-12 | G3 / 4" X14 | G3 / 4" X14 | 52 | 47 | 33 |
| 5B9-16 | G1" X11 | G1" X11 | 59 | 55 | 44 |
| 5B9-20 | G1.1 / 4" X11 | G1.1 / 4" X11 | 60 | 56 | 50 |
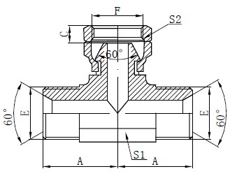
BSP Hydraulic Tee
BB แทนที่นั่ง BSP ตัวผู้ 60 องศากับ BSP ตัวเมียกรวยทีสาขา 60 องศาเป็นชุดยอดนิยมในหมู่ลูกค้า YH นำเสนอ BB ซีรี่ส์ขนาดสมบูรณ์ซึ่งแสดงในตารางข้อมูลทางเทคนิค YH ยังสามารถผลิตรายการอื่น ๆ ที่มีหัวข้อที่แตกต่างกันเช่น NPT, BSPT, ตัวชี้วัด, ORFS, JIC ฯลฯ ผลิตภัณฑ์ของเราเคลือบด้วยสังกะสีหรือโครเมี่ยมส่วนใหญ่ก่อนส่งมอบ
√หมายเลขชิ้นส่วน: BB (ที่นั่ง BSP ชาย 60 องศากับ BSP หญิง 60 องศากรวยทีสาขา)
color สีที่ดีและความมันวาว อะแดปเตอร์ tees ทั้งหมดจะถูกทำความสะอาดโดยไม่มีเสี้ยนและสิ่งสกปรก
advantage ข้อได้เปรียบของเรา: ความแม่นยำสูง; ราคาที่แข่งขันได้; วัสดุที่ดีควบคุม
√ระยะการจัดส่งสินค้า: FOB (หนิงโป) และ CIF (พอร์ตของลูกค้า) เป็นที่ยอมรับกันโดยทั่วไป
√ขั้นต่ำ: 300 ชิ้นสำหรับรายการที่ผลิตซ้ำ
BSP Hydraulic Tee Drawing
ตารางข้อมูลทางเทคนิค
| ด้าย | ขนาด | |||||
| หมายเลขชิ้นส่วน | E | F | A | C | S1 | S2 |
| BB-02 | G1 / 8" X28 | G1 / 8" X28 | 19.8 | 5.5 | 11 | 14 |
| BB-04 | G1 / 4" x19 | G1 / 4" x19 | 25 | 5.5 | 14 | 19 |
| BB-06 | G3 / 8" x19 | G3 / 8" x19 | 26 | 6.5 | 17 | 22 |
| BB-08 | G1 / 2" X14 | G1 / 2" X14 | 30 | 8 | 22 | 27 |
| BB-12 | G3 / 4" X14 | G3 / 4" X14 | 40 | 11.5 | 27 | 32 |
| BB-16 | G1" X11 | G1" X11 | 43 | 11.5 | 33 | 41 |
| BB-20 | G1.1 / 4" X11 | G1.1 / 4" X11 | 59 | 12 | 44 | 50 |
อุปกรณ์แปลงเพศชาย BSP
ซีรีย์ 1B แทน BSP ตัวผู้เกลียวยึดที่นั่ง 60 องศามีขนาดตั้งแต่ 1/8 '' ถึง 2 '' ซึ่งเป็นที่นิยมผลิตรายการใน YH ไฮดรอลิก 1B อุปกรณ์อะแดปเตอร์มาในวัสดุเหล็กคาร์บอน 45 ส่วนใหญ่ แต่วัสดุอื่น ๆ เช่นสแตนเลสหรือทองเหลืองเป็นที่ยอมรับในโรงงานของเรา อุปกรณ์อะแดปเตอร์เหล่านี้เสร็จสิ้นด้วยชุบสังกะสีหรือชุบโครเมียม
√หมายเลขชิ้นส่วน: 1B (BSP ชาย 60 องศาตรา Bonded Seat Bonded)
√ประเภท: ตรง (1B); Elbow 45 องศา (1B4); 90 องศา (1B9)
√สี: ขาว; สีเหลือง; เงิน
√ขนาด: แสดงในตารางข้อมูลทางเทคนิคเป็นรายการยอดนิยม อื่น ๆ หากมีข้อกำหนดให้
√สต็อก: รายการส่วนใหญ่จะถูกเก็บไว้เป็นผลิตภัณฑ์สต็อกสำหรับเวลาจัดส่งที่รวดเร็ว
การปรับแต่งอุปกรณ์แปลงเพศชายของ BSP
ตารางข้อมูลทางเทคนิค
| ด้าย | ขนาด | |||||
| หมายเลขชิ้นส่วน | E | F | A | B | S1 | L |
| 1B-02 | G1 / 8" X28 | G1 / 8" X28 | 10 | 10 | 14 | 26 |
| 1B-02-04 | G1 / 8" X28 | G1 / 4" x19 | 10 | 12 | 19 | 28 |
| 1B-02-06 | G1 / 8" X28 | G3 / 8" x19 | 10 | 13.5 | 22 | 31.5 |
| 1B-02-08 | G1 / 8" X28 | G1 / 2" X14 | 10 | 16 | 27 | 34 |
| 1B-04 | G1 / 4" x19 | G1 / 4" x19 | 12 | 12 | 19 | 30 |
| 1B-04-06 | G1 / 4" x19 | G3 / 8" x19 | 12 | 13.5 | 22 | 33 |
| 1B-04-08 | G1 / 4" x19 | G1 / 2" X14 | 12 | 16 | 27 | 36 |
| 1B-04-10 | G1 / 4" x19 | G5 / 8" X14 | 12 | 17.5 | 30 | 38.5 |
| 1B-06 | G3 / 8" x19 | G3 / 8" x19 | 13.5 | 13.5 | 22 | 35 |
| 1B-06-08 | G3 / 8" x19 | G1 / 2" X14 | 13.5 | 16 | 27 | 37.5 |
| 1B-06-10 | G3 / 8" x19 | G5 / 8" X14 | 13.5 | 17.5 | 30 | 40 |
| 1B-06-12 | G3 / 8" x19 | G3 / 4" X14 | 13.5 | 18.5 | 32 | 42 |
| 1B-08 | G1 / 2" X14 | G1 / 2" X14 | 16 | 16 | 27 | 40 |
| 1B-08-10 | G1 / 2" X14 | G5 / 8" X14 | 16 | 17.5 | 30 | 42.5 |
| 1B-08-12 | G1 / 2" X14 | G3 / 4" X14 | 16 | 18.5 | 32 | 44 |
| 1B-10 | G5 / 8" X14 | G5 / 8" X14 | 17.5 | 17.5 | 30 | 44 |
| 1B-10-12 | G5 / 8" X14 | G3 / 4" X14 | 17.5 | 18.5 | 32 | 46 |
| 1B-10-16 | G5 / 8" X14 | G1" X11 | 17.5 | 20.5 | 41 | 50 |
| 1B-12 | G3 / 4" X14 | G3 / 4" X14 | 18.5 | 18.5 | 32 | 47 |
| 1B-12-16 | G3 / 4" X14 | G1" X11 | 18.5 | 20.5 | 41 | 49 |
| 1B-12-20 | G3 / 4" X14 | G1.1 / 4" X11 | 18.5 | 20.5 | 50 | 56 |
| 1B-16 | G1" X11 | G1" X11 | 20.5 | 20.5 | 41 | 53 |
| 1B-16-20 | G1" X11 | G1.1 / 4" X11 | 20.5 | 20.5 | 50 | 57 |
| 1B-16-24 | G1" X11 | G1.1 / 2" X11 | 20.5 | 23 | 55 | 60 |
| 1B-20 | G1.1 / 4" X11 | G1.1 / 4" X11 | 20.5 | 20.5 | 50 | 58 |
| 1B-20-24 | G1.1 / 4" X11 | G1.1 / 2" X11 | 20.5 | 23 | 55 | 61 |
| 1B-24 | G1.1 / 2" X11 | G1.1 / 2" X11 | 23 | 23 | 55 | 63 |
| 1B-24-32 | G1.1 / 2" X11 | G2" X11 | 23 | 25.5 | 70 | 66 |
| 1B-32 | G2" X11 | G2" X11 | 25.5 | 25.5 | 70 | 69 |
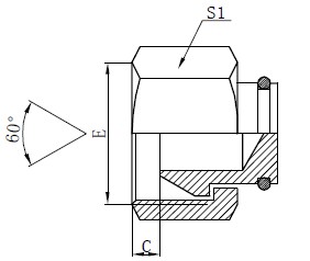
ปลั๊กหญิง BSP
รายการ 9B แทนปลั๊กรูปกรวย BSP ตัวเมีย 60 องศา รายการนี้ยินดีและยอมรับอย่างมากเนื่องจากมีคุณภาพดีและราคาที่เหมาะสม YH กำลังผลิตอุปกรณ์และตัวปรับต่อไฮดรอลิกมากกว่า 10,000 ชนิดรวมถึง BSP, BSPT, UNF, NPT และเธรดเมตริก นอกจากนี้เรายังยินดีให้บริการ OEM
√หมายเลขชิ้นส่วน: 9B (ปลั๊กตัวเมีย BSP หญิง 60 องศาแบบกรวย)
√สำหรับการขาย: รับประกันคุณภาพสำหรับผลิตภัณฑ์และบริการหลังการขาย เสนอราคาที่ดี; เทคโนโลยีที่เป็นมิตรต่อสิ่งแวดล้อมเพื่อปกป้องโลก บริการ OEM และ ODM ที่มีอยู่
√สำหรับคุณภาพ: วัสดุภายใต้การควบคุมอย่างเข้มงวดเมื่อใช้ ผลิตภัณฑ์ตรวจสอบ 100% ก่อนที่จะเสร็จ; สายการผลิตทดสอบโดยทีมงานหรือวิศวกรข้อมูลในช่วงเวลาที่กำหนด ก่อนบรรจุและโหลดคุณสมบัติของผลิตภัณฑ์และปริมาณทดสอบ; QC tam ใน YH ไฮดรอลิก
√ตลาด: ผลิตภัณฑ์ที่ขายให้กับอเมริกาเหนือ อเมริกาใต้; ตะวันออกกลาง; เอเชียใต้; ละตินอเมริกาส่วนใหญ่
BSP Female Plugs Drawing
ตารางข้อมูลทางเทคนิค
| ขนาด | |||
| หมายเลขชิ้นส่วน | กระทู้ E | C | S1 |
| 9B-04 | G1 / 4" x19 | 5.5 | 17 |
| 9B-06 | G3 / 8" x19 | 6 | 22 |
| 9B-08 | G1 / 2" X14 | 7 | 27 |
| 9B-10 | G5 / 8" X14 | 8.5 | 27 |
| 9B-12 | G3 / 4" X14 | 9 | 32 |
| 9B-16 | G1" X11 | 11 | 38 |
| 9B-20 | G1.1 / 4" X11 | 11 | 50 |
| 9B-24 | G1.1 / 2" X11 | 12 | 55 |
| 9B-32 | G2" X11 | 15 | 70 |
ข้อต่อท่ออุตสาหกรรม
1 อุปกรณ์อะแดปเตอร์ 1B4 เป็น 45 ° BSP ตัวผู้ประเภทที่นั่ง 60 °ซึ่งใช้กันอย่างแพร่หลายในการเชื่อมต่อของเครื่องที่แตกต่างกัน อุปกรณ์ต่ออะแดปเตอร์ที่ครอบคลุมมีส่วนเกี่ยวข้องในการผลิต YH ซึ่งสามารถตอบสนองความต้องการการเชื่อมต่อที่หลากหลาย สามารถหาและติดตั้งอุปกรณ์ประเภทเธรดอเนกประสงค์ได้ใน YH ไฮดรอลิก กรุณาไปข้างหน้าเพื่อเยี่ยมชมเว็บไซต์ของเราหรือติดต่อเราสำหรับความต้องการรายละเอียด
√หมายเลขชิ้นส่วน: 1B4 (45 ° BSP ชาย 60 °ที่นั่ง)
√ขนาด: 1/8 "ถึง 2"; ขนาดหรือความแตกต่างอื่น ๆ นอกจากนี้ยังสามารถจะแล้วเสร็จในโรงงานของเรา
√ประเภทกระทู้: ชาย BSP เป็นชาย BSP
type ประเภทที่เกี่ยวข้อง: ประเภทตรง (1B); ข้อศอก 90 ° (1B9)
samples ตัวอย่างฟรี: มีให้สำหรับน้อยกว่า 5 ชิ้น
การวาดภาพข้อต่อท่ออุตสาหกรรม
ตารางข้อมูลทางเทคนิค
| ด้าย | ขนาด | ||||
| หมายเลขชิ้นส่วน | E | F | A | B | S1 |
| 1B4-02-04 | G1 / 8" X28 | G1 / 4" x19 | 22 | 22 | 14 |
| 1B4-04 | G1 / 4" x19 | G1 / 4" x19 | 22 | 22 | 14 |
| 1B4-04-06 | G1 / 4" x19 | G3 / 8" x19 | 22 | 22 | 17 |
| 1B4-06 | G3 / 8" x19 | G3 / 8" x19 | 22 | 22 | 17 |
| 1B4-06-08 | G3 / 8" x19 | G1 / 2" X14 | 27 | 27 | 22 |
| 1B4-08 | G1 / 2" X14 | G1 / 2" X14 | 27 | 27 | 22 |
| 1B4-08-12 | G1 / 2" X14 | G3 / 4" X14 | 33 | 33 | 27 |
| 1B4-10 | G5 / 8" X14 | G5 / 8" X14 | 27 | 27 | 22 |
| 1B4-10-12 | G5 / 8" X14 | G3 / 4" X14 | 33 | 33 | 27 |
| 1B4-12 | G3 / 4" X14 | G3 / 4" X14 | 33 | 33 | 27 |
| 1B4-12-16 | G3 / 4" X14 | G1" X11 | 37 | 37 | 33 |
| 1B4-16 | G1" X11 | G1" X11 | 37 | 37 | 33 |
| 1B4-16-20 | G1" X11 | G1.1 / 4" X11 | 40 | 40 | 44 |
| 1B4-20 | G1.1 / 4" X11 | G1.1 / 4" X11 | 40 | 40 | 44 |
| 1B4-20-24 | G1.1 / 4" X11 | G1.1 / 2" X11 | 47 | 47 | 50 |
| 1B4-24 | G1.1 / 2" X11 | G1.1 / 2" X11 | 47 | 47 | 50 |
| 1B4-32 | G2" X11 | G2" X11 | 55 | 55 | 65 |
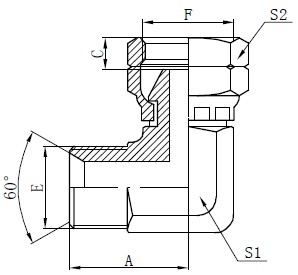
BSP Elbow Connector
2B9 แทน 90 ° BSP ตัวผู้ที่นั่ง 60 °พร้อมอะแดปเตอร์แบบกรวย 60 องศาตัวเมีย BSP YH กำลังจะสร้างธุรกิจที่ประสบความสำเร็จซึ่งสามารถสร้างความพึงพอใจและการเติบโตให้กับลูกค้าพนักงานและผู้ขาย ในส่วนของผลิตภัณฑ์เราได้ปรับปรุงความสามารถในการผลิตและการควบคุมคุณภาพตามมาตรฐานสากลและใช้ในเครื่องจักรไฮดรอลิกได้ดีขึ้น
√หมายเลขชิ้นส่วน: 2B9 (ชนิดเธรด: 90 องศา BSP ตัวผู้ที่นั่ง 60 องศาพร้อมกรวย BSP ตัวเมีย 60 องศา)
√ขนาด: แสดงอยู่ในตารางข้อมูลทางเทคนิคซึ่งเป็นขนาดมาตรฐาน ติดต่อฝ่ายขายของเราสำหรับขนาดอื่น ๆ
√การประมวลผล: จากการควบคุมคุณภาพวัสดุจนถึงการบรรจุผลิตภัณฑ์ตามลำดับ
√สี: ขาว; สีเหลือง; เงิน (คนทั่วไป)
√เวลาการส่งมอบ: ตามรายการและปริมาณที่ต้องการในเวลาเร็วที่สุด
BSP Elbow Connector Drawing
ตารางข้อมูลทางเทคนิค
| ด้าย | ขนาด | |||||
| หมายเลขชิ้นส่วน | E | F | A | C | S1 | S2 |
| 2B9-02 | G1 / 8" X28 | G1 / 8" X28 | 19.8 | 5.5 | 11 | 14 |
| 2B9-04 | G1 / 4" x19 | G1 / 4" x19 | 29 | 5.5 | 14 | 19 |
| 2B9-04-06 | G1 / 4" x19 | G3 / 8" x19 | 30 | 6.5 | 17 | 22 |
| 2B9-06 | G3 / 8" x19 | G3 / 8" x19 | 30 | 6.5 | 17 | 22 |
| 2B9-06-04 | G3 / 8" x19 | G1 / 4" x19 | 30 | 5.5 | 17 | 19 |
| 2B9-08 | G1 / 2" X14 | G1 / 2" X14 | 37 | 8 | 22 | 27 |
| 2B9-08-06 | G1 / 2" X14 | G3 / 8" x19 | 37 | 6.5 | 22 | 22 |
| 2B9-10 | G5 / 8" X14 | G5 / 8" X14 | 37 | 10.5 | 22 | 30 |
| 2B9-10-08 | G5 / 8" X14 | G1 / 2" X14 | 37 | 8 | 22 | 27 |
| 2B9-12 | G3 / 4" X14 | G3 / 4" X14 | 43 | 11.5 | 27 | 32 |
| 2B9-16 | G1" X11 | G1" X11 | 47 | 11.5 | 33 | 41 |
| 2B9-20 | G1.1 / 4" X11 | G1.1 / 4" X11 | 59 | 12 | 44 | 50 |
| 2B9-24 | G1.1 / 2" X11 | G1.1 / 2" X11 | 61 | 13 | 50 | 55 |
| 2B9-32 | G2" X11 | G2" X11 | 66 | 16 | 65 | 70 |
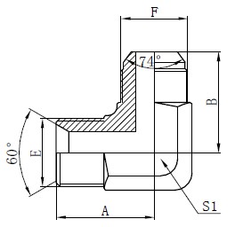
อะแดปเตอร์ไฮดรอลิก BSP
1BJ9 เป็นหนึ่งในอะแดปเตอร์ท่อไฮดรอลิกที่มีเกลียวชนิด BSP ชายและ JIC ตัวผู้ YH ไฮดรอลิกมีอะแดปเตอร์ให้เลือกมากมายซึ่งประดิษฐ์ขึ้นอย่างแม่นยำโดยใช้เหล็กกล้าคาร์บอนและสแตนเลส มีหลายขนาดและคุณสมบัติและสอดคล้องกับคุณภาพอุตสาหกรรมและมาตรฐานการทำงาน
√หมายเลขชิ้นส่วน: 1BJ9 (90 องศา BSP ตัวผู้ที่นั่ง 60 องศาพร้อมกรวย JIC ตัวผู้ 74 องศา)
√วัสดุ: เหล็กกล้าคาร์บอน # 45; เหล็กกล้าคาร์บอน # 20; เหล็กกล้าไร้สนิม
√มาตรฐาน: SAE J514; SAE J1453; DIN 2353; DIN3865 (ยอดนิยม)
√การเคลือบผิว: ชุบสังกะสี; ชุบนิกเกิล; ชุบโครเมียม; จุ่มร้อนชุบสังกะสี
√เวลาส่ง: ภายในหนึ่งสัปดาห์สำหรับผลิตภัณฑ์สต็อก
√บริการตัวอย่าง: น้อยกว่า 5 ชิ้นฟรี
BSP Hydraulic Adapters Drawing
ตารางข้อมูลทางเทคนิค
| ด้าย | ขนาด | ||||
| หมายเลขชิ้นส่วน | E | F | A | B | S1 |
| 1BJ9-04 | G1 / 4" x19 | U7 / 16" X20 | 27 | 29 | 14 |
| 1BJ9-04-05 | G1 / 4" x19 | U1 / 2" X20 | 27 | 29 | 14 |
| 1BJ9-04-06 | G1 / 4" x19 | U9 / 16" X18 | 27 | 29 | 14 |
| 1BJ9-06 | G3 / 8" x19 | U9 / 16" X18 | 29 | 30 | 17 |
| 1BJ9-06-08 | G3 / 8" x19 | U3 / 4" X16 | 33 | 33 | 19 |
| 1BJ9-08 | G1 / 2" X14 | U3 / 4" X16 | 37 | 37 | 22 |
| 1BJ9-08-10 | G1 / 2" X14 | U7 / 8" X14 | 37 | 37 | 22 |
| 1BJ9-10 | G5 / 8" X14 | U7 / 8" X14 | 43 | 43 | 27 |
| 1BJ9-12 | G3 / 4" X14 | U1.1 / 16" X12 | 43 | 43 | 27 |
| 1BJ9-16 | G1" X11 | U1.5 / 16" X12 | 47 | 52 | 33 |
| 1BJ9-16-20 | G1" X11 | U1.5 / 8" X12 | 56 | 59 | 44 |
| 1BJ9-20 | G1.1 / 4" X11 | U1.5 / 8" X12 | 59 | 56 | 44 |
| 1BJ9-24 | G1.1 / 2" X11 | U1.7 / 8" X12 | 61 | 57 | 50 |
| 1BJ9-32 | G2" X11 | U2.1 / 2" X12 | 66 | 63 | 65 |



















